本文
栄養指導室使用について
順守事項
- 消耗品(ふきん・ゴミ袋・洗剤等)は各自持参してください(貸出はありません)
- 冷凍・冷蔵庫の使用には限定があります(使用できない場合もありますので、ご注意ください)
- 換気ファンは必ず運転してください
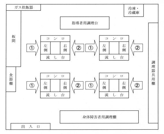
- 使用した調理器具・食器は必ず元の場所に戻してください(配置図参照)
(棚や調理台に器具の名前・数量を明記してありますので確認してください) - 食器等を破損した場合は、必ず事務局まで申し出てください。
- 発生したゴミについては、使用者が責任をもって持ち帰ってください
- ガスの元栓は必ず閉めてください
- 使用後は、必ず掃除をしてください(道具類は、図書室前の湯沸し室内にあります)
- 身体障害者用調理台を使用される方は事務局まで申し出てください
- 上記順守事項が守れない場合は、次回からの貸出を検討させて頂きます
- 電気、電磁調理器の使用については、電力容量に限りがありますので、申込時に確認をお願いします。
食中毒に気をつけましょう。
栄養指導室配置図

調理台内
| コンロ | 流し台 |
|---|---|
| オーブン内 天板 2枚 ケーキ型(丸型) 1個 取っ手 1本 |
フライパン 1個 |
| 左側側面((1)方向から見て) | |
|---|---|
| 包丁(大・中・小)各1本 | 巻きす しゃもじ(大・小) すりこ木 皮むき 各1本 |
| 両手付き鍋(中)1個 | 片手付き鍋1個 |
| 両手付き鍋(大)1個 | 両手付き鍋(小)1個 |
| 右側側面((2)方向から見て) | |
|---|---|
| おたま 2本 泡立て器・穴あきおたま・フライ返し・ポテトマッシャー・おろし金 各1本 |
菜箸(大・中・小) 各1組 ゴムベラ 1本 計量スプーン(30・15・5・2.5)1組 |
| すり鉢 | バット(大・中・小) 各1個 粉ふるい 1個 |
| ザル(大・小) 各1個 | ボール(大・中・小) 各1個 |
調理器具用棚(窓側)
| (1) | ミキサー(蓋なし) ジューサーミキサー ハンドミキサー |
1台 1台 3台 |
(2) | フードカッター ジューサーミキサー |
1台 2台 |
|---|---|---|---|---|---|
| (3) | 蒸し器 | 2台 | (4) | 蒸し器 やかん(大) |
2台 3個 |
| (5) | 蒸し器 やかん(小) |
2台 3個 |
(6) | 圧力鍋 飯きり |
2台 2台 |
| (7) | まな板 | 10枚 | (8) | 計量カップ(大・小) | 各7個 |
| (9) | 計量計(大・小) | 各3台 | (10) | ||
| (11) | たこ焼き器 ホットプレート |
5台 2台 |
(12) | ホットプレート | 1台 |




